Teri Mosher
Materials Science and Engineering
|
![]() |
Introduction:
Understanding and being able to predict the dendritic structures of binary alloys is very important to the field of Materials Science and Engineering. The shape, size, and speed of dendrite growth influence the final properties of metals. The dendritic structures that form determine if the material is soft, hard, stretchable, springy, corrosion resistant, etc.
Project Objectives:
- To observe and be able to predict certain characteristics of dendritic structures
- To use constrained solidification in order to form dendrites
- To analyze the microstructure of the PbSn alloy To compare the actual microstructure to a predicted structure
Experimental Approach:
- Melt samples of the alloy in a melting pot and draw into tube for use in the furnace
- In the furnace, heat the sample of PbSn up to 400oC with a temperature gradient of about 5oC/mm
- Run the sample through the furnace with four different compositions each at three different velocities
- Compositions 10wt%, 25wt%, 40wt%, 63wt%
- Velocities 10-4m/s, 10-5m/s, 5á10-5m/s
- Mount each sample both horizontally and vertically * Polish in order to analyze the microstructure using optical microscopy * Acquire dendritic spacing and fraction of primary solid in order to later compare it to a prediction
Research Findings:
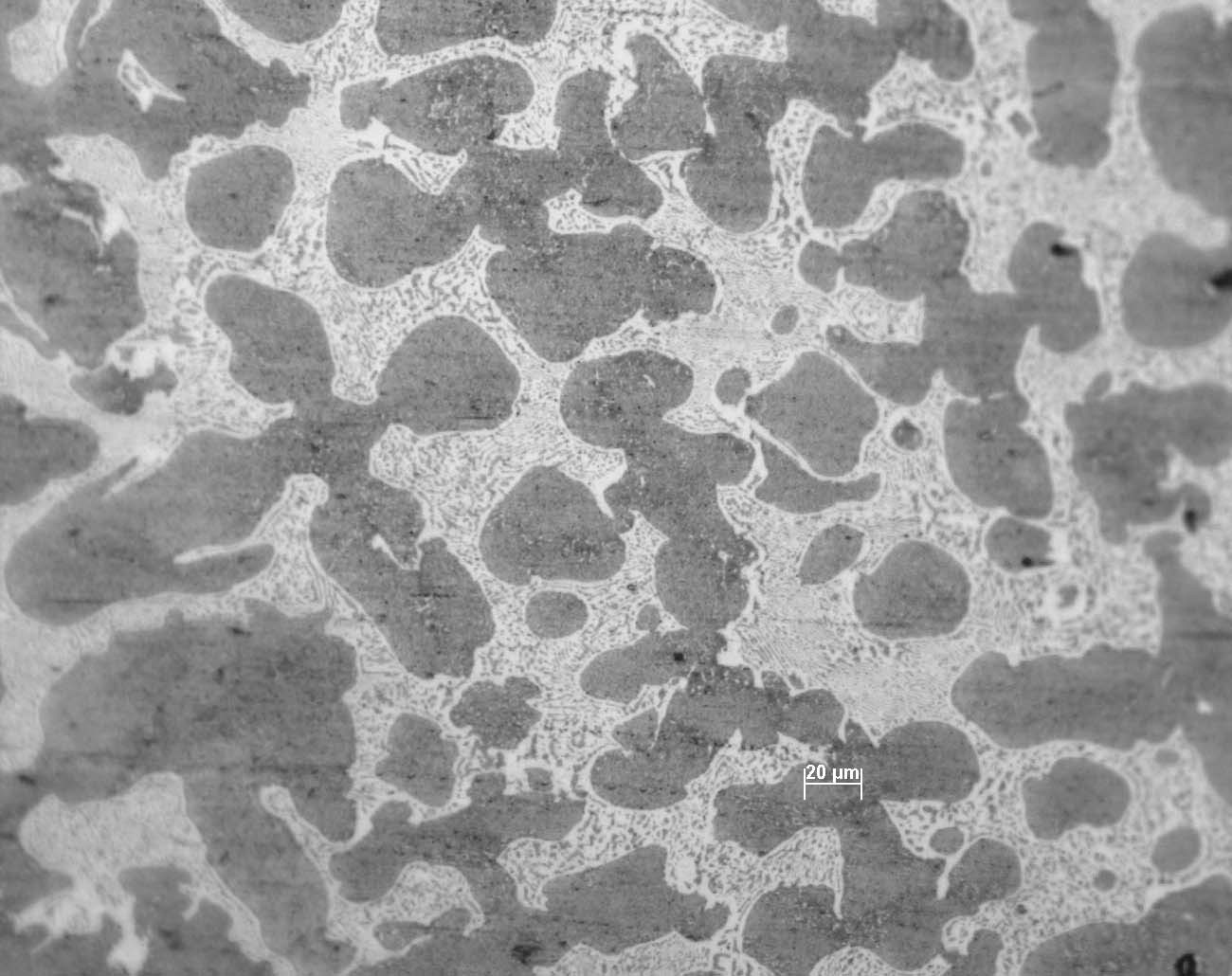
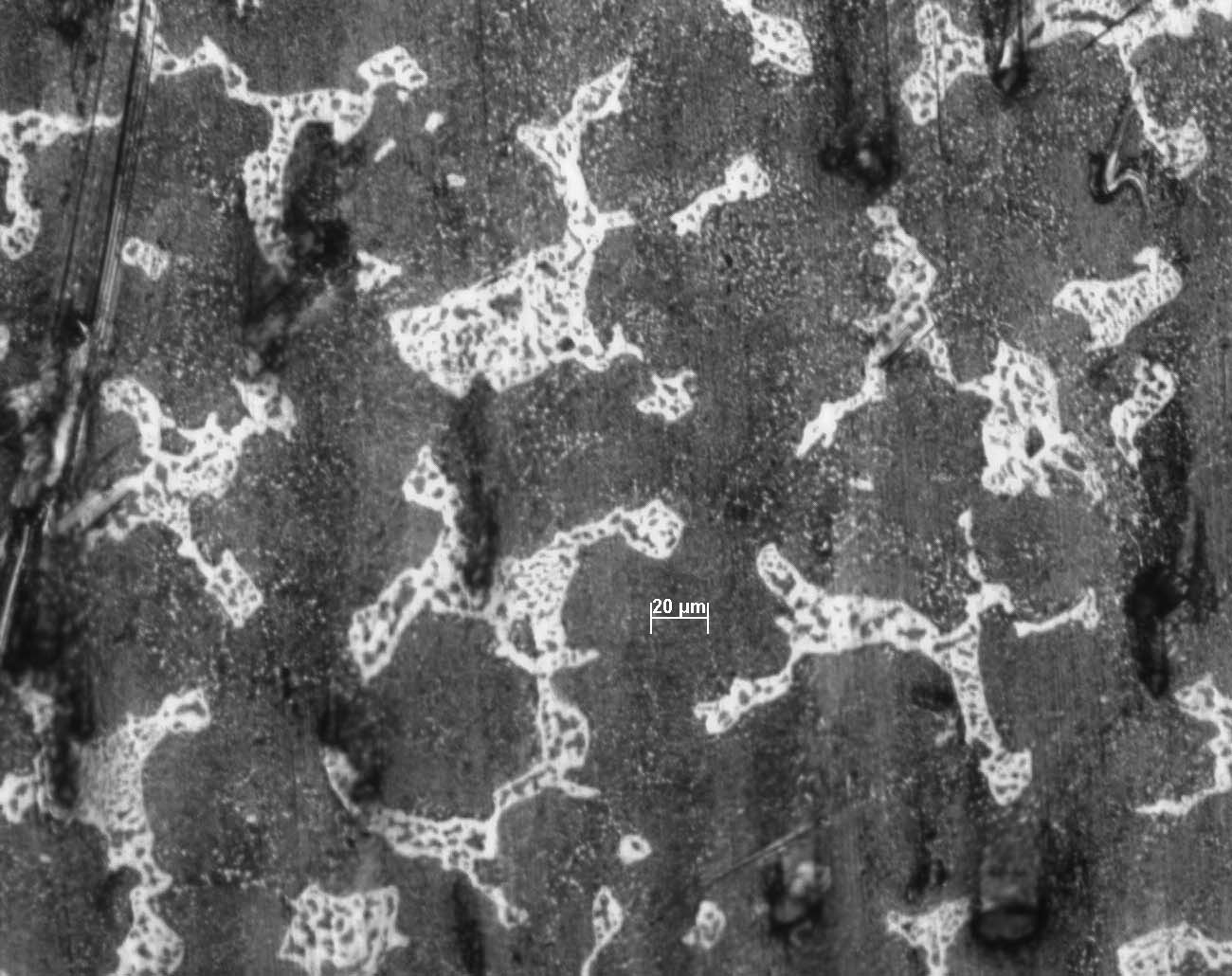
The dendrites that formed from a lower weight percent of tin tended to have a larger fraction of primary solid. Also, when comparing the same compositions with differing velocities, it was noted that at a slower velocity the dendrites were thicker. In these two pictures one can see the difference between the dendrites of 25wt% Sn and 40wt% Sn when ran through the furnace at the same velocity.
TATIONS/TeriMosher.ppt![]() Fig 1. Microstructure of 25wt% Sn at a velocity of 5á10-5m/s |
![]() Fig 2. Microstructure of 40wt% Sn at a velocity of 5á10-5m/s |


