Kendra A. ErkPurdue UniversityProject Title: Grain-Boundary Grooving of Plasma-Sprayed Thermal Barrier Coatings
|
|
Introduction
Plasma sprayed ceramic thermal barrier coatings (TBCs) are widely used to protect the metallic structure of gas-turbine engines and improve operating efficiency by permitting higher operating temperatures and reduced cooling requirements. TBCs are comprised of a yttria-stabilized zirconia (YSZ) top coat with a composition of 6-8 wt% Y2O3 -ZrO2 plasma sprayed over a metallic bond coat used to facilitate strong adhesion between the YSZ and metallic structure (such as a turbine blade). The temperature experienced at the structure’s surface has been shown to decrease by 189°C for a YSZ coating 127 µm thick.Plasma spraying of YSZ powders results in a complex microstructure. As droplets of molten YSZ strike the substrate at high velocity, they spread to form flattened discs. Coatings are made of multiple stacked discs, termed lamellae. The large thermal gradient between the relatively cool substrate and the newly sprayed lamellae causes rapid solidification at a cooling rate in the range of 104-105 K/s, resulting in a columnar grain structure inside each lamella. The columnar grains, oriented perpendicular to the substrate, are clearly resolved on TEM micrographs. Intralamellar cracking occurs perpendicular to the substrate upon cooling in order to relieve stresses produced from underlying lamellae causing constraint during thermal contraction. Total porosity of plasma-sprayed ceramic coatings is typically between 3-20%; high porosity is advantageous as it acts to reduce thermal conductivity of the coating. Porosity is comprised of two main types: pores formed between lamellae (interlamellar pores) and within lamellae (intralamellar pores). The greatest amount of porosity is attributed to interlamellar pores, which are oriented perpendicular to the spray direction.
During exposure to the high temperatures typical to engine operation (800ºC-1300ºC), the coatings experience several microstructural changes which adversely affect the thermal conductivity. Sintering of the porous microstructure occurs at temperatures above 1000ºC, which leads to an increase in thermal conductivity and contributes to the failure of the TBC. Much research has been done characterizing the microstructural changes of plasma-sprayed YSZ coatings, but the mechanisms which drive these changes are yet to be understood.
W.W. Mullins theories on thermal grain-boundary grooving make it possible to determine the dominant mass transport mechanism through observing the groove profile evolution. Grain-boundary grooves develop on annealed polycrystalline surfaces where grain boundaries intersect the surface plane. Atomic migration results in the rapid establishment of the equilibrium dihedral angle between the surface and grain-boundary interfacial tensions in accordance with Young’s equation. Convex ridges evolve on the sides of the grain boundary as a result of the equilibrium angle formation. As the ridges tend to flatten out, a chemical potential gradient forms between the convex slope (greater potential) and the flat interface (lower potential). Atomic diffusion outward from the groove walls causes two events to happen: to maintain the equilibrium angle, the groove deepens and the overall width of the groove peaks increases.
Mullins' theories showed surface diffusion was the dominant mass transport mechanism if the groove width was proportional to (time)1/2 and volume diffusion was dominant when w~t1/3. Thus, quantifying the peak-to-peak groove width in relation to time would yield the dominant diffusion mechanism at the system temperature.
Project Objectives
- Observe microstructural changes of plasma-sprayed 7 wt% yttria-stabilized zirconia thermal barrier coatings with exposure to high temperatures for prolonged times.
- Determine the mechanisms responsible for the microstructural changes.
Approach
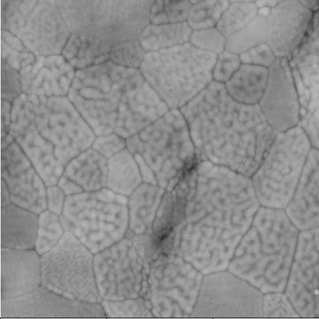
The topography and microstructural evolution of YSZ coating samples was investigated as a function of heat treatment temperature and time using a MultiMode AFM (Digital Instruments, Santa Barbara, CA) in tapping mode. Pointprobe® silicon SPM cantilevers having a probe tip radius <10 nm were used. Polished coating samples were scanned to quantify initial surface roughness prior to heating. Samples were thermally etched in air for 1-100 hour isothermal holds at temperatures ranging from 800o-1400oC in a programmable Lindberg box furnace. Heating and cooling rates were 600oC/hr and 300oC/hr, respectively. To provide a barrier to furnace contaminants, the samples were contained in a covered alumina crucible. After each heat treatment, AFM area scans of 1, 2, 3, or 5 μm^2 in size were taken, corresponding to lateral resolutions of ±2, ±4, ±6 or ±10 nm, respectively. The same collection of grains per sample was analyzed between each furnace heat treatment.Grain-boundary grooving was analyzed from plane-view oriented YSZ samples progressively heat-treated for increased durations at 1000°C, 1100°C, and 1200°C. The same collection of grains was analyzed after every successive heat treatment for each of the three samples. Peak-to-peak groove width measurements were obtained from cross-sectional topography profiles oriented perpendicular to the grain boundaries. Severely asymmetric grooves, polishing scratches, newly nucleated grains, and grains bordering surface pores or cracks were avoided. Expected error for the groove width measurements is dependent solely on image pixel resolution, as there are no errors associated with tip geometry when measuring groove peak positions.
Findings
At temperatures below 1000°C, grain grooving was nonuniform, though extensive surface roughening was observed. A plane-view oriented coating sample was heat-treated at 1000oC for 1, 5, 10, 50, and 100 hours. Grain-boundary groove widths were measured at each temperature from the same collection of grains (Figures 1 and 2). The log(width) vs. log(time) yielded a slope just below 1/4. Thus, at 1000oC, surface diffusion is the dominant mass transport mechanism in plasma-sprayed YSZ coatings.Similar AFM studies were conducted at 1100oC and 1200oC. The slope of the log(w) and log(t) data at 1100°C was 0.28. Prior research by W. Robertson has shown that slopes between 1/4 and 1/3 were due to a mixture of diffusion mechanisms. Therefore, at 1100oC, surface and volume diffusion were in direct competition for the dominant transport mechanism. At 1200oC, the log(w) and log(t) data resulted in a slope equivalent to 1/3, indicative of volume diffusion dominance.
![]() Fig. 1 AFM scan of a plane-view YSZ coating thermally etched for 1 hour at 1000oC. |
![]() Fig. 2 AFM scan of plane-view YSC coating thermally etched for 100 hours at 1000oC. Same area as Fig. 1. |
Contact me: kaerk@purdue.edu

