Composites

Self-Healing and More

Multi-functional composites are designed to perform more than one function. Traditionally a composite material was used to provide a strong and light component. But today, but including additional components into a composite, it can not only fulfill the structural requirements, but can also perform another function, for example, by embedding thin wires into the composite material, the composite can serve as an antenna as well as a structural component. Self-healing is one possible function and results in a polymer composite, that when damaged, can heal itself.

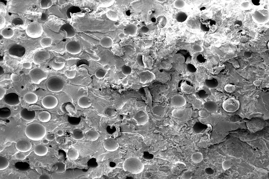
There are multiple ways to create self-healing polymers, but the most practical way is to embed microcapsules of healing agent into the polymer matrix. The healing agent can be something complex like dicyclopentadiene that requires a catalyst to polymerize or it can be something like Tung oil, which does not require a catalyst and will polymerize when in contact with air. If you are interested, follow the links on the right.

Coatings

One interesting use of self-healing technology is to add it to coatings for increased damage resistance. This is particularly important in any application where repair or replacement is difficult to do. If a polymer coating, for example a paint or epoxy, is commonly used to protect an object from corrosion, then adding self-healing to the coating is possible. Evaluating the change in corrosion resistance due to the inclusion of self-healing components is achieved using Electrochemical Impedance Spectroscopy (EIS).