Electrospun Boron Nitride Nanotube Fabrics: Tunable Thermal Conductivity through Controlled Nanotube Orientation
Electrospun Boron Nitride Nanotube Fabrics: Tunable Thermal Conductivity through Controlled Nanotube Orientation
| Event Date: | August 3, 2025 |
|---|---|
| Authors: | J.E. Estevez, C.R. Davis, A. Gaitonde, M. Schaeffer, C.G. Yelton, S.A. Razgaleh, J. Miles, E. Castacane, and A. Marconnet |
| Journal: | Advanced Engineering Materials |
| Paper URL: | Link to Full Text |
J.E. Estevez, C.R. Davis, A. Gaitonde, M. Schaeffer, C.G. Yelton, S.A. Razgaleh, J. Miles, E. Castacane, and A. Marconnet, Advanced Engineering Materials, 2500703, 2025.
DOI: 10.1002/adem.202500703
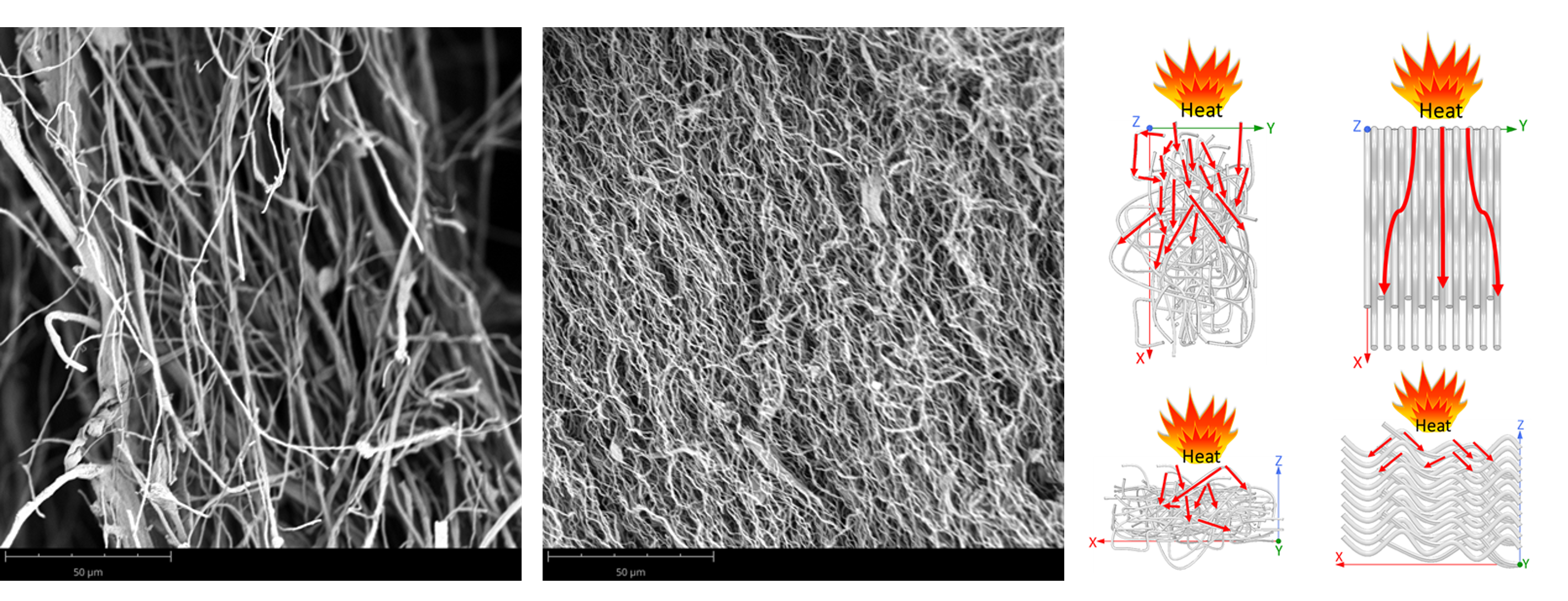
Boron nitride nanotubes (BNNTs) are promising candidates for enhancing thermal properties in high-temperature materials due to their exceptional thermal stability and directional thermal conductivity. However, achieving a high level of BNNT orientation within material systems remains challenging. This study presents a novel fabrication approach using electrospinning to orient BNNTs within fibers, followed by pyrolysis to produce BNNT fabrics with tunable nanotube orientations. By leveraging the shear forces present during electrospinning, BNNTs are aligned within the fiber direction, enabling controlled nanotube patterning and directional thermal conductivity. The aligned BNNT fabrics demonstrated significantly higher thermal conductivity along the nanotube alignment direction compared to the perpendicular direction, confirming the effectiveness of electrospinning in aligning BNNTs. Analysis of this fabric identified three primary factors influencing thermal conductivity: nanotube orientation, fiber connectivity, and nanotube length. While electrospinning provides a scalable and effective method for controlling BNNT alignment, the low density and high porosity of the mats limit thermal conductivity by reducing inter-fiber connectivity. Additionally, the short length of individual nanotubes creates discontinuities that hinder optimal heat transfer. This study highlights the potential of electrospinning as a versatile method for fabricating BNNT-based materials with tunable thermal properties. However, future research must address challenges such as increasing density, reducing porosity, and improving fiber connectivity to fully exploit BNNTs’ theoretical thermal conductivity. These findings contribute to the development of advanced thermal management materials and underscore the importance of optimizing nanotube orientation and connectivity for enhanced thermal performance.
