| HOME CONTACT
RESEARCH
FACILITIES
PERSONNEL
PUBLICATIONS |
|
Concept of Laser Hardening |
|
Thermal Model
predicted vs. experiment
|
Temperature Gradient
|
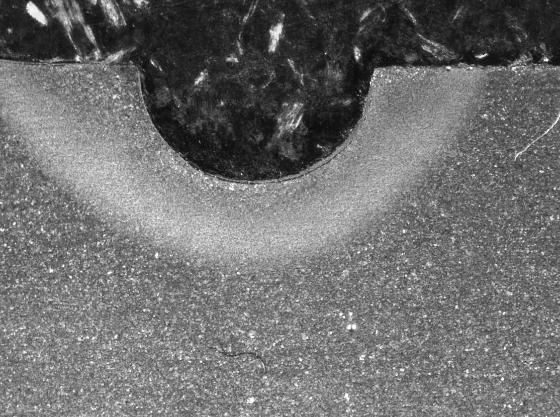
Hardened Surface
|
| Laser
Hardening Research |
| Objectives:
The goal of this project area is to provide a complete physical understanding of the laser
hardening process (applied to various materials) and to develop accurate
predictive
models that will enable optimization of the process and its industrial applications to various engineering
materials
to meet precise specifications. Specific objectives of the research include:
- Find operating conditions that globally optimize laser hardening processes in
order to:
- maximize laser hardening rate
- minimize sub-surface flaws
- maximize surface hardness and case depth
- Investigate the underlying laser hardening mechanisms for various work materials
and geometries.
- Develop a predictive transient, three-dimensional thermo-kinetic-stress model for laser hardening.
- Develop guidelines to determine the best way of performing laser hardening
for various materials and geometries.
- Develop an economic analysis of laser hardening against current practice
|
| Research
Plan: The study of laser-hardening at Purdue is based on the simultaneous
experimental and numerical investigation of the process. The experiments
are performed on an integrated processing cell comprising a 4 kW direct diode laser with a rectangular beam
shape and an 7axis positioning system (bottom right Figure) as well as a CO2 and a Nd:YAG laser providing circular beams. Modeling
efforts include three-dimensional heat transfer modeling, kinetic
modeling of diffusion kinetics, deformation and stress modeling.
These models are coupled together to provide comprehensive hardening
results including hardness profiles, deformation and resultant residual
stresses.
|
| Research
Progress:
- Successful laser hardening of 5150H, 4140 and 1045 steel alloys
has been carried out with Rockwell hardness, Rc, exceeding 60.
- A fully three dimensional thermo-kinetic-model has been developed and validated (see the
middle figure below), which provides the resultant microstructure and
hardness distribution.
- A back-tempering model has been developed to predict
microstructure change during the tempering process and integrated with
the thermo-kinetic model. The model can be used to optimize the overlapping patterns of
the laser
beam to achieve the most uniform hardness distribution.
- Experimental facilities have been developed for hardening various parts
with complex geometry.
- Laser hardening and nitriding capabilities of Ti6Al4V have been successfully
demonstrated along with the development of a predictive
thermo-diffusion model.
- A numerical model has been developed to predict resultant residual
stresses and integrated with the thermo-kinetic-tempering model.
Back to Top |
|
Illustrations |
Predicted Results
|
Measured
hardened zone
 |
Hardening Set-up

|
| SPONSORS National
Science Foundation
Purdue Research Foundation
Indiana 21st Century Research and Technolog
International Truck and Engine
Rolls Royce Corp
|
Back to Top |